Investigation and Restoration
- A Battery-Operated Five-Tube TRF 1920s Radio -
電池式 5球古典ラジオ の調査と修復
2025.12.16
イントロダクション
2025年はラジオ放送開始100年ということで、
お正月から「
古いラジオ」に取りつかれていました。
「国産第一号鉱石ラジオ」のレプリカ製作や1931年製#31ラジオの修復を手がけ、何回か公式の場で講演する機会を頂いて、それが全国紙に掲載されたり、2025年3月22日には
NHKの7時のニュース(NHK oneに登録されている動画「100年前 国内で製作のラジオ 大手電機メーカーの元社員が復刻」)に出演したりもしました。
そのようなことで、古いラジオそのものは勿論、時代背景やその時代の産業や生活にラジオが与えたインパクトなど、ラジオから見た産業技術史のようなものが何となくわかりかけてきたところです。
その集大成である
"KDDIミュージアムでの仕事" が一段落したのを機に、長い間温めてきた
宝物: 由緒あるラジオの修理・音出しにチャレンジすることにしました。
Introduction:
Since the New Year, I have been deeply fascinated by "old radios" as 2025 marks the 100th anniversary of the start of radio broadcasting in Japan.
To celebrate this significant milestone, I meticulously created a replica of the "First industrial product of domestic crystal radio" to preserve its historical significance and painstakingly restored the "SharpDyne" model #31 radio from 1931 to its original working condition.
My dedication has been recognized, with my photos proudly published in newspapers and appearances on NHK. Additionally, I have passionately given talks at several official opportunities, eagerly sharing my passion and knowledge with others. For instance, during a recent exhibition at the
Sharp museum,
I demonstrated the radio's functionality to an enthusiastic audience, explaining the intricate details of its restoration process.
Through the preparation for the most recent talk at the
KDDI Museum, I've gained a deeper understanding of not only the old radios themselves but also the historical context and the significant impact that radio had on industry and daily life during that era. Now that this chapter is over, I've decided to take on the challenge of repairing my treasure, "Heraldyne Radio", I've been nurturing for a long time: a venerable radio.
・The first sound revived from a long sleep! It was at 15:57 JST on Dec. 3rd, 2025.
・And then, the second sound.
Please start trying to use
Google Translate. Jump to the bottom and then read from bottom to top along the timeline, focusing on the figures, diagrams, and pictures. These elements serve as a universal language, bridging communication gaps across linguistic differences.
Jump to the bottom
プロローグ
宝物: このラジオは来歴がきちんとわかったものです。
詳細は機会を改めますが、このラジオは東広島の古い家から引き上げたものです。日本に入って来たのは1927年(昭和2年)の秋。1925年頃のアメリカ製だと考えています。。。
これはすごいゾ!、
100年も前の真空管ラジオです。
「国産第一号鉱石ラジオ」の頃のもので、アメリカIowa州にあった(らしい)Brenard Mfg.という会社製の "Heraldyne Radio" という真空管ラジオです。
・巾約54cm、高さ約24cmの堂々とした体格
・AC電源は搭載しておらず電池式
・201Aを5本使い、RF2段増幅⇒プレート検波⇒AF2段増幅のストレート式TRF(Tuned Radio Frequency)ラジオ
・鉱石ラジオと同時代なのに、スピーカーを鳴らすことができます。

2025年12月3日には
音を出すことが出来ました。
・はじめて鳴った音、トキに12月3日15時57分。
ピーギャーに続き、音が出たことに興奮して家内を呼ぶ私の声も捉えられています。
・その後少し扱いに慣れて幾分聞きやすくなった音。同 16時11分。
フィラメントの電圧を微妙に調整してそこそこバランスを取った状態ですが、これでもまだ発振音は聞こえます。
以下、作業を追っかけながら書きますので、下から上に、日付順に読んでください。
ページ下端へ進む
2026.3.29
今日は基礎英語や英語会話、ドイツ語講座などで長くお世話になった、NHK第2放送終了の日です。
忘れずにこのラジオで最期を聴こうと準備していました。
3月29日夜23時56分 最後の音声
音声は、スマホをスピーカーの前に置いて空気録音したものです。
この録音では、
3分50秒頃までが最後になったアラビア語放送、
3分52秒から24時の時報、
8分55秒まで、松岡忠幸(ただゆき)さんアナウンスによるらじるの時間、第2放送終了のお知らせ、今後の説明と続き、
8分57秒から女性アナウンサーによる「JOBB NHK大阪第2放送です」というコールサインアナウンス
で区切りになりました。
そして、最後は君が代で締めるのだろうと思っていましたが、君が代もオルゴール演奏も無く、そのまま00時15分ごろキャリヤが切れました。
こちらは、翌3月30日朝10時06分ごろの録音。番組移行案内が継続されているようでした。
3月30日朝10時06分
免許状関係が気になっていましたので無線局等情報検索で中波放送を検索してみました。600局以上あるとどこかで読んだことがありますが、502局しか出ませんでした。もう消されてしまったのでしょうか。
2025.12.30
良い音になったと聞き入っていて、気づきがありました。
発振抑制のためにフィラメント電圧を変えると、AF段や検波段の動作点も変化してしまいます。したがって、フィラメント電圧に依らず一定の動作点を維持するためには、フィラメント電圧とバイアス電圧は同時に変化させる必要があります。
こうするためには回路に手を入れないといけません。しかし、急ぐ必要はありません。-Cをはじめとしてオリジナルがどういう状態だったのかまだ不明な点もあるので、回路に手を入れるのはもう少し考察してからにしたいと思います。
結論が出るのは10年先かもしれません。
2025.12.28 Quich check of the DET and AF amplifier
動作の状態を感覚的につかむことができたので、低周波発振器をを持ち出して来て、簡易に各段の特性を調べてみました。
まず、検波段の真空管を抜き、プレート端子に低周波発振器を直結しました。
低周波段のひずみは、-C電圧を -3~-4V程度にすると最小になるようでした。
フィラメントには平均電圧+2~2.5Vがかかっていますから、フィラメント/グリッド間に-5~-6V程度のバイアス電圧をかけると都合よいことになります。
-C電源を省略する目的で段間トランスのグリッドのコールド側を直接アースすると、フィラメント/グリッド間に-2~-2.5Vのバイアス電圧は得られますが、
この簡易な方法ではバイアス電圧が不足して低周波段のひずみが増加してしまうことがわかりました。
検波段のひずみは、B+を40~42V程度にした時少なくなるようでした。
これ以上上げるとハムが入りました。電源をトランスのセンタータップから取っているせいだと思います; 少し大きな平滑コンデンサが要るのかもしれません。
低周波発振器の周波数を変化させてみると、1.5kHz付近に非常に大きな山があることがわかりました。
これはトランスの特製の為と思われます。しかし信号の入力方法がいい加減なので、より精査する必要はあります。
ただ、このラジオは現代のラジオと同等の性能である必要はありません。このラジオがもともと持っていたであろう、この時代の特性で良いのです。ですから、手を加えるなら目標性能について具体的に検討する必要がありそうです。
次は、オシロスコープとひずみ率計も準備して、もう少し精密に現状特性を把握することにしましょう。
12月29日14時過ぎ: 表題部の写真の状態で、スピーカーから出ている音をスマホのマイクで直接録音しました
・ABC朝日放送からNHK第二放送
・NHK第一放送幾
発振は収まり、ひずみもかなり減って、普通のラジオに近い音色になりました。
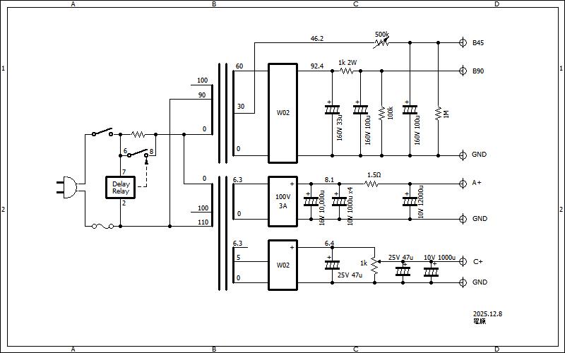
2025.12.8 Preparing Battery Eliminator
Ref: https://www.youtube.com/watch?v=LpI2tWk1Tl4
専用電源を作りました。

手持ちのトランスを探しましたら適当なものがあり、それを核にして、木の板の上にインスタントに組んでしまいました。

AC1次側にはステップスターターを組み込みました。スイッチオン時のフィラメントへの衝撃を和らげたい意図で、#31ラジオの時から使っているものです。ヒューズは0.5Aです。
簡単に出来ると思っていましたが、フィラメントに1A程度の電流が流れるので平滑に思いのほか手間取りました。直熱管なのできっちりした直流にできていないとハムの塊になるのです。そのため大きなコンデンサを投入しました。
また、変調ハムの低減にも手間取りました。
ラジオ本体の回路上、低周波段をA級で動かすバイアスと、検波段をプレート検波でひずみなく動作させるバイアスを別々に調整することがができないので、検波段のB電圧を調整できるようにしておきました。①まず低周波段に低周波発振器をつなぎ、その音がひずまないようにバイアスを調整し、②次いで、放送を受信しながら検波ひずみが少なくなるよう検波段のB電圧を調整するわけです。

まだどこかに接触不良があるようで、時々ガリガリ、バリバリと大きな音がします。それでも、そこそこ良い音で鳴るようになってきました! あと一歩です!!
2025.12.4 Sounds good!
2段目コイルに並列に入っているVRを動かせば高周波増幅段の発振状態が変化するのではないかと思い立ち、これを触ってみることにしました。
抵抗値を10kΩ位にすると動作が落ち着きました。
2段目のチューニングがかなりブロードになり、RFのゲインもかなり下がってしまったようでした。
しかし、発振防止のためにはこの操作は必須で、安定動作のためにはこの調整も綿密に行う必要があるのだと分かりました。
少しずつ受信周波数を変えてみると、周波数の低い方から、NHK第1放送、NHK第2放送、ABC、MBC、OBCと5局も受信できました。
周波数を変える時にはフィラメント電圧も同時に変える必要があります。高い周波数ではフィラメント電圧を幾分落とさないと発振します。
一方で、低い周波数ではその状態ではゲイン不足になり、音が小さくなってしまいます。そのためフィラメントの電圧を上げるわけですが、ゲイン低下はフィラメント電圧を上げただけではカバーし切れず、そのため、もう少しRFのゲインが欲しいとコイルへの並列抵抗を少し大きくせざるを得ませんでした。受信周波数が低い場合には並列抵抗を少し上げても発振はしないようでした。
そのようなことで、選局操作のためには3つのダイヤル操作に加えて、2つの調整つまみも同時に触らなければならないことが分かりました。再生式のラジオでも周波数が高い場合と低い場合では再生用バリコンを調整する必要がありますが、このラジオはそれどころではなく、5つとも調整する必要があるのです。技術的なポイントを理解していても、操作は相当に面倒です。
実際には、このラジオの時代が輸入された1920年代には、日本には沢山の放送局があったわけではありません。1924年から1927年までは、放送局は東京、名古屋、大阪の3局だけ。1928年になってやっと8局に増加しました。このラジオは、そういう時代背景のもとでひとつだけ聞こえる放送局を一番よく聞こえるように調整して使うラジオとして輸入されたのだろうと思われます。今のように沢山の放送局があって、それを聞き分けながら一局だけを選んで聴くラジオではない ということです。
ボリューム調整は?
フィラメント電圧の調整やダイヤルの同調をずらすことで調整できます。ただ、ある状態から音量を下げることはできますが、音量を上げようとすると簡単に発振してしまいます。やはり限界はあるようでした。
そのようなことを考えながら毎日楽しんでいましたら、次第に操作のコツがつかめてきました。操作は面倒ですが、各放送局とも良く受信できるようになりました。
全体には、うるさいぐらいに鳴るとはいいませんが、一人で聴く分には十分な音量で鳴ってくれます。
次は、専用の電源を準備してみようと思います。
2025.12.3 Amazing!
一部不都合もありましたが、ここまで順調に来ています。ワイヤレスマイクを使えたことで比較的すんなりと全体が動いていることはわかりました。
しかし、実際に放送を受信して音を出すのは面倒でした。
まず放送局の周波数へのダイヤル合わせ。
大きなダイヤルが3つもあり、如何にもQが高そうな状態ですから、少しの離調でも聞こえなくなる可能性があります。
そこでまたワイヤレスマイクを登場させ、NHK第2放送の周波数でワイヤレスマイクが聞こえるようにダイヤルを合わせることにしました。
そうしましたら、その過程でビート音が!
これは第2放送とワイヤレスマイクの周波数とのビートに違いないとワイヤレスマイクを止めると、何と第2放送の声が聞こえました。
しかし、RF段はピーピーギャーギャーと容赦なく発振します。
・はじめて鳴った音、トキに2025年12月3日15時57分。
ピーギャーに続き、音が出たことに興奮して家内を呼ぶ私の声も捉えられています。
・その後少し扱いに慣れて幾分聞きやすくなった音。同 16時11分。
フィラメントの電圧を微妙に調整してそこそこバランスを取った状態ですが、これでもまだ発振音は聞こえます。
それにしても、このラジオから音が出たのは何年ぶりでしょうか、、、
これはもう Amazing! としか言いようないのではないでしょうか。
わかっていても、ピーピーギャーギャーというRF段の発振はどうしようもなく、昔の人はどうやってこのラジオのご機嫌をとったのだろうと思ってしまうぐらいでした。
2025.11.25 Beginning of the trial
-Cの扱いが分からないのでどうしたものかと悩みましたが、この接続なら-C回路を直接アースすればフィラメント電圧の半分の電圧でグリッドバイアスがかかると気づき、ともかく実験してみることにしました。
低周波段から順に前段に向かって動作確認する方針を立て、電源を用意して攻めます。
とりあえず、フィラメントは5VのACアダプター、B関係は手持ちの電圧可変電源をベースに抵抗で電圧調整する事にしました。
まず低周波段は問題なし。
低周波発振器をつなぐと、簡単にスピーカーを鳴らしてくれました。立派です。
次は高周波段含めた全体の動作。
中波帯のRFソースとして手元にAM帯のワイヤレスマイクがあるので、それに低周波発振器で変調をかけてやってみることにしました。
そうしたら、信号が十分強いせいか、バリコンを少し動かしてみただけであっけなく変調音が聞こえ、全体を通して一応動いていそうだということが分かりました。

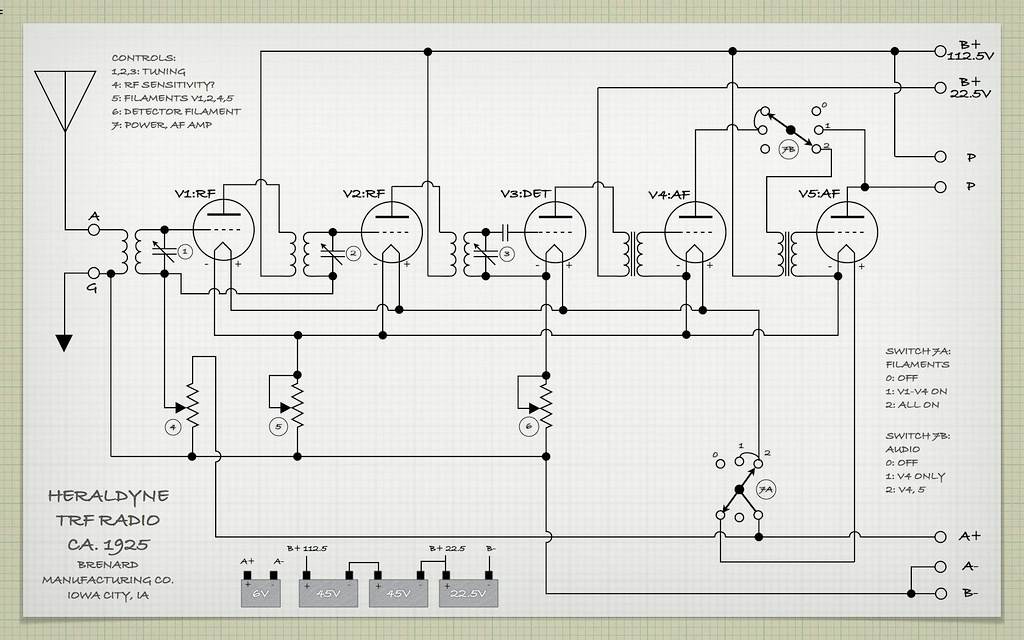
2025.11.24 Circuit diagram
トランス交換と平行して、回路図を起こしました。
ストレートフォアワードナ回路で、少ない部品点数で作られていることが分かりました。

RF段には中和回路は組まれていないようでした。先に調査した[7][8]には "Neutrodyne" とあるので、1925年から少し時代を下った製品には中和回路が採用されていたようですが、中和回路は、当時特許化された非常に重要な回路技術であり、コストがかかったのでしょう。この1925年頃の初期のラジオでは、2段目コイルに並列に入っているVRでQダンプして発振防止しているのだろうと思えました。
Atwater Kentでも初期のものはグリッドに直列抵抗を入れて発振から逃げていますが、Atwater Kentでさえも同じような事情があったということなのでしょう。パラとシリーズ、どちらのやり方が良いのでしょうか。
また、検波段のグリッドにあるはずのグリッドリーク抵抗や並列コンデンサが見当たらず、検波は、この時代の一般的なグリッド検波ではなく-C併用したプレート検波なのだろうと思えました。
ただ、-Cの結線は浮いており、グランドとの間にパスコンが入っていましたから、外部から何らかの電圧をかけるのだろうと想像できる一方で、外部との-C接続用のBinding Postsはついておらず、オリジナル設計で-Cがどのように扱っていたのかよくわかりませんでした。
パスコンはB+にも入っていますが、フィラメント他には入っていません。バッテリーのインピーダンスが十分低いということでしょうか。
これらのコンデンサはペーパーコンデンサであると思われます。下の写真の黒い横長 長方形2つです。これが、真空管、コイル・バリコン以外の、唯一の電気的ディスクリート部品です。
トランスの絶縁低下を除けば、通電することに危険が伴う部品はこのコンデンサだけと言えそうです。

なお先に調査した1925年の[3]の回路図:
https://www.flickr.com/photos/22250518@N03/with/2200102626
では、発振防止は、RF段に印加する-C(A電池の接続を工夫して得た-C)を調整してRFゲインをコントロールすることで実現しているようでした。これは真空管の機械で最近まで使われていた方法と同じで、この方法なら-Cを外部から印加する必要はなく Binding Postsも不要です。sophisticated な方法と思いました。
しかし、この回路図でも検波段のグリッドは浮いており、この点は不明です。何か技術を隠すためにわざと図面に記されていないだけかもしれません。
2025.11.18 Where to find replacement transformer for old radio?
この一週間、切れているトランスの情報を得ようと、同じラジオ: https://www.facebook.com/groups/old.radio.group/posts/2016700495470482/
が載っている参考[6]のFacebookのOld Tube Radios Groupの会員になり、私も、Where to find replacement transformer for old radio? といった記事を投稿してみました。
そうしたら瞬間に、このトランスはThorderson製であること、またZenithの"Super 7" というラジオにも同じものが使われていることなどを教えてもらうことができました。英語圏の情報網は大したものです。

さっそくThordersonで検索してみたところ、"Radio Broadcast" という雑誌の1926年10月号にThordersonが宣伝を載せているのを見つけました。
数多くのラジオの写真をメーカー名とともに載せて、このラジオにはThordersonのトランスが使われていると宣伝されていたのです。その中にBrenard Manufacturing Companyという会社名と今回のラジオとそっくりのラジオがありました。

そのようなことで、トランスメーカーは特定できました。
しかし、Thordersonのカタログでは同じ形状のトランスを見つけることはできず、型名はわかりませんでした。
また、教えていただいたZenithの"Super 7"をebayで探しましたら、同じようなトランスが出品されているのを見つけました。これは動作品とのことでしたが、古いわりに価格が高く、円安の折から購入する気にはなれませんでした。

さらに検索範囲を広げると、同様のトランスはebayでいくつか出品されているようでした。
しかし、先のZenith用以外には動く保証のあるものがなく、高い送料もあってebayで購入することは断念することにしました。
Youtubeにも同じトランスが出ていました。Zenithのラジオをレストアしているこの投稿の、2分20秒頃から4分頃にかけて右手に写っているトランスです。
https://www.youtube.com/watch?v=pVuBsPULCy8

あるところにはあるということはわかりましたが、いざ入手しようとするとなかなかうまくいかないものです。
国内に目を向けると、ノグチトランスや東映トランスなどには代替可能なトランスの在庫品があるようでした。
しかし、外観違いは許容できません。格好は崩したくないので、伊勢の西崎さんに巻き直しを相談してみることにしました。
いつものように早速返事を下さり、「古いトランスは巻き枠を使っていないので面倒だが、巻きなおせるかどうか確認するから現物を送れ」とのことでした。
それをきっかけに何度か会話をしたところ、切れたトランスに近いサイズのコアをお持ちであることが分かったので、まき直しではなく新調する可能性を探るために切れたトランスを分解して調べてみることにしました。
まずコアサイズは、57.3×47.8[mm]で、西崎さんに在庫があるコアとの違いは0.1mm程度であることがわかりました。
またコアの積厚は18.4mmで、生きている一次側のインダクタンスは8Hほど。巻き数比は3.5:1であろうと思えました。
さらに、コアの磁気回路にギャップは入れられておらず、EIを交互に組み合わせてしまっていることも分かりました。

これらのことを写真と一緒に西崎さんにお知らせし、最終的に、以上と同じ新しいトランスを巻いてもらうことにしました。
現代の新しいコアは古いコアとは性能がダンチでしょうが、巻き数は音質にも係わると思うので1次側8Hを目安に十分巻いてもらうことにして、一次側2500回、2次側8250回巻いてもらいました。
いつものようにあっという間に仕上げて下さり、11月23日には交換作業も終了しました。

2025.11.10 The Item
内部を観察しました。

写真は、上がパネル側です。
バリコン、コイルは3つずつで、真空管5本、トランスが2つ。
この構成は、先に見つけた[3]の回路図: https://www.flickr.com/photos/22250518@N03/2217219309/ とも符合し、RF2段、AF2段と思われます。
だとすると、Binding Postsの位置関係から、右上が高周波増幅の初段、左上が2段目。左下が検波段。そのあとトランスを経て低周波増幅の一段目、2段目と続くのでしょう。
そのBinding postsは9個あり、アンテナ、GND、スピーカー(2つ)、B90、B45、B-、さらにA+とA-と印刷されています。準備すべき電源の電圧もわかりました。
真空管はRCAのUX-201Aが5本使われています。
5本がすべて同じものでしたから、出荷時の状態そのままで、後年になって差し替えられることも無かったのだろうと想像できます。
各真空管は、真鍮の長足タイプで、横に固定用ピンがある黒のUXショートベース、さらにベース底面にRCAロゴの鋳型刻印、topに印刷でRCAのロゴがあるタイプでしたので、1925-1927の製造であることが分かりました。
フィラメントは5本とも生きていました。
真空管のソケットは、すべて、ピンが引っかかりになるUV型が使われています。各端子はねじ止めで接続する古いタイプです。
201A型の真空管がUX型に改良されたのは1925年だそうですから、真空管の製造時期とあわせ、このラジオはその前後の製品でしょう。
検波管のソケットにはクッションが入っていて、耐震構造になっています。
このように、真空管周辺は[3]のところに述べた考察とも符合することがわかりました。
参考[11]: https://kawoyama.la.coocan.jp/tubestory01atube.html
配線は、シャーシ裏面で行われています。線材は、絶縁チューブをかぶせたすずメッキ銅線のような線が使われています。
真空管のソケットやバリコンの端子への配線はすべてビス止めで行うため、接続点では銅線の先端にアースラグのようなものが半田でつけられています。
バリコンの接触やコイルの断線は無いようです。
目で見る限り、配線修正のために半田を溶かしたようなあとや余分な半田痕、ねじの頭の傷、不要なネジ穴などはなく、全体に、修理・部品交換や改造は行われていない、出荷時の状態を保った品物ではないかと感じました。
一方、2つある低周波の段間トランスのうち、検波段と低周波増幅初段の間のトランスの2次側巻き線が断線していることがわかりました。
なぜ断線したのかはわかりませんが、この故障が、このラジオが使用を中止された原因かもしれません。しかし、トランスさえ修復できれば動く可能性がありそうです。
2025.11.1 Investigations
前面の銘板によるとこのラジオは、Iowa州Iowa CityのBrenard Manufacturing Companyが作った"Heraldyne"という登録商標のラジオのようです。
The Real Family Set と記載されています。

ネット検索すると、会社やラジオについていくつかの情報が出てきました。
GoogleのAIが、会社概要を非常に分かりやすく教えてくれます。
まず、
Brenard Manufacturing Companyは、
もともとはPhonograph(蓄音機)やHeraldyneラジオを製造販売していた会社で、蓄音機とラジオのコンボ製品の製造販売、また、レコードのレーベルを保有してレコード販売も行っていた会社 のようでした。
[1]有名なradio-collectorのホームページに、
Located in IOWA CITY, Heraldyne Deluxe Radio Combination Radio & Phonograph units 1925 – 1938
と紹介されていました。
出展:https://www.radio-collector.com/iowa-radio-manufacturer-encyclopedia/
別の記事で、
初代(と思える)founder名や、同社の製品名が紹介されている記事もありました。
Founded in 1892 by T. O. Loveland and J. L. Records.
PRODUCTS
"Claxtonola" Phonograph
"Starling" Phonograph
"Sylvan" Phonograph
出展:https://mycompanies.fandom.com/wiki/Brenard_Manufacturing_Company
蓄音機だけでなく、ラジオや、Claxtonolaというレーベルのレコード販売も行っていたようです。
Manufacturer of Claxtonola phonographs and Heraldyne radios. Company was founded in 1901 and operated in Iowa City, IA. They also sold records bearing the Claxtonola label.
出展:https://www.discogs.com/label/1054042-Brenard-Manufacturing-Company
[2]レコード会社としては、
パラマウント、ブラック・スワン、ジェネット・レコードのマスターを、Claxtonolaやナショナルのレーベルで再発売していたが、1925年に営業停止 とのことでした。
It reissued Paramount, Black Swan, and Gennett Records masters on the Claxtonola and National labels. The label closed in 1925.
出展:https://78rpm.club/record-labels/claxtonola/
販売していたレコードは、上の、
https://www.discogs.com/label/1054042-Brenard-Manufacturing-Company
に見ることが出来ます。
[3]蓄音機の製品 "Claxtonola Phonograph" で少し範囲を拡げて調べると、沢山の同社製品関連情報がhitしました。
その中に、
もろに関連製品がありました: Heraldyne Radio/Phono console "Claxtonola" が鳴っています!
https://www.youtube.com/watch?v=D9G5I2oOOG4
投稿者の書き込みには、"my 1924 Claxtonola Phonograph/Radio console." とありますから、1924年のものなのかもしれません。
また
https://www.flickr.com/photos/22250518@N03/with/2200102626
には上記、Youtubeの製品そのものの貴重な情報がありました。
超貴重です。

驚いたことに回路図や取説まで掲載されています。
回路図: https://www.flickr.com/photos/22250518@N03/2217219309/
回路図左下にあるように、これは1925年の製品のようです。

記事にあるname plateも、うちのラジオとまったく同じでした。
まったく同じです。
https://www.flickr.com/photos/22250518@N03/2200102706/

<考察>
この1925年の製品 Radio/Phono Consoleは、2024年、あるいは2025年に発売されていた製品であると思われます。そして、name plateがまったく同じのうちのラジオは、このConsoleの兄弟製品、つまりうちのラジオも1925年頃の製品に間違えないと確信しました。構成もほぼ同じなのだろうと思えます。
[4]雑誌: The Talking Machine World, January 1919
にはパラマウントやビクターなどの大企業に並んで宣伝が出ています。
1918年に1500の代理店と契約 とあります。
出展: https://phonographia.com/1919/1919%20Other.htm
[5]ebayには、関連するVintage蓄音機やSPレコードがたくさん出品されていました。
例えば:https://www.ebay.com/itm/305395413575
ラジオ関係では、
[6]うちのラジオとまったく同じものがfacebookやebayに幾つか出ていました。
facebookの https://www.facebook.com/groups/old.radio.group/permalink/2016700495470482/ のスレッドの中に Victoria Lynnさんが投稿されたラジオは、うちのラジオとまったく同じです。
ebayに出品されている
https://www.ebay.com/itm/167465587907 もまったく同じもののようです。
[7]有名どころのradiomuseumには、Bernard Heraldyne Radio として5点紹介されています。
https://www.radiomuseum.org/m/brenard_usa_en_1.html
外観が異なるラジオも作っていたようです。
[8]radomuseumに紹介されているラジオは、雑誌、Antique Radio Classified の 1991年12月号15ページ にも
"Brenard Manufacturing Company Heraldyne Five-Tube Neutrodyne"
として紹介記事が書かれています。
出展: https://manuals.plus/m/438ccae381c6c5f19bf68602a8591f280cb4fe58e197f6ffd2bb37e54de583f4_doc
<考察>
Brenard Manufacturing Companyは、[1]より、もともと蓄音機を作っていた会社ですから、蓄音機がまずあって、後年別に発展した[6]のラジオをその蓄音機と合体させてのRadio/Phono Consoleにした[3]と考えるのが自然だと思います。
その後、ラジオの部分が独自に発展して、[7]や[8]の写真のラジオになっていったのでしょう。
<Consideration>
I am thinking that:
The Brenard Manufacturing Company, initially known for phonographs[1], strategically integrated the new industry, radio, into their operations[6], leading to the creation of the Radio/Phono Console[3]. Concurrently, the radio division developed independently, resulting in the products shown in photos [7] and [8].
[9]Ebayに、代理店勧誘のために使ったと思われる1926年5月1日付けの
当時のletterが出品されていました。
当時はこんな手段でビジネスを展開していたのでしょうか。
出展: https://www.ebay.com/itm/225203214494
E.G.Degen,
San Antonio, Texas.
Dear Sir:--
We are vitally interested in building up a live paying Heraldyne Agency at your place, and our direct to the customer advertising, and our Due Bill Selling Plan through Solicitors, will do it.
Until you mail us the territory map with the names and addresses of prospective Solicitors and purchasers we are powerless to render you any assistance. Please mail us these lists at once so we will have the material with which to carry out our part of the advertising agreed upon.
Some one will sell a lot of Radio Receiving Sets in your territory. Let us join forces and get the business.
Yours truly,
E.G.デゲン様
テキサス州サンアントニオ
拝啓:
御地にヘラルダイン代理店を設立し、収益を上げたいと強く願っております。お客様への直接広告と、弁護士を通じた請求書払い販売プランがそれを実現します。
貴社から、将来の弁護士候補と購入者の氏名・住所を記載した営業地域地図を郵送していただくまで、弊社は何もできません。これらのリストを至急郵送していただければ、合意された広告活動に必要な資料が揃います。
貴社の地域ではラジオ受信機が多数販売される見込みです。ぜひ力を合わせ、このビジネスを獲得しましょう。
敬具
[10]長年にわたり、難しい問題も抱えていたようです。
(1916年)https://case-law.vlex.com/vid/brenard-mfg-co-v-929896175
(1917年)https://www.jstor.org/stable/pdf/1107469.pdf
(1928年)https://www.casemine.com/judgement/us/5914a6e0add7b049346e292b
(1927年)https://www.cetient.com/case/brenard-manufacturing-co-v-mcdaniel-3442980
(1929年)https://case-law.vlex.com/vid/stevens-v-wey-19263-929508461
詳細は文章を読むしかありませんが、「promotion of a "trade expansion campaign"」の契約書に何か問題があったのでしょうか。
<考察>
上記資料には齟齬をきたしている金額と製品台数に関する記載があります。それから一台あたりの値段が想像できます。
概ね1台当たり100ドル前後のようです。当時の米国の商習慣を知りませんが、全国どの地域でも一定だったとすると、それは買い手(代理店)の倉庫納品価格、いわゆるCIF価格相当でしょうから、一般への売価はざっくり150ドルとかでしょうか。
当時の150ドルというのは、今のドルに換算するとどのくらいの価値になるのでしょうか。
https://westegg.com/inflation/ では、
What cost $100 in 1925 would cost $1826.57 in 2024.
Also, if you were to buy exactly the same products in 2024 and 1925,
they would cost you $100 and $5.5 respectively.
1925年に100ドルだったものは、2024年には1826.57ドルになるとのことです。
つまり、
このラジオの当時の一般売価150ドルは、今のアメリカ人感覚で言うと2739ドル、1ドル150円くらいとすると日本人感覚では41万円前後と言えるでしょうか。
ただ、当時の米国と日本では国情が全く異なります。それを含めて考えてみます。
まず、当時の圓・ドルレートは、AIによると、
1920年代の1ドルの価値は、年や為替レートによって変動しますが、日本圓に換算すると約2圓台後半から3圓前後で推移し(例: 1925年は1ドル=2.451圓)、戦後アメリカの「狂騒の20年代」と呼ばれる好景気の中で、大量生産・大量消費が拡大し生活様式が一変した時代背景があります。
為替レートの目安(対日本圓)
1925年(大正14年):1ドル=約2.45圓。
1930年代初頭:1ドル=2圓台(旧平価)から圓安へ転換し、1933年には約3.88圓
とのことなので、当時のレート: 1ドル=2.5圓とすると、
150ドルは当時の日本で375圓になります。
これは、米国内での顧客渡し価格を当時の圓建てで見た数字です。
さらに、これを今の円の価値で見るために、貨幣価値の換算をします。
貨幣価値の換算には、蕎麦一杯の値段をはじめととして、タクシーの初乗り料金や職人の日当など様々な方法があって、諸説 一長一短と思われますが、
当時ラジオを買えるのはかなり限られた人だったとして、100人に一人の大卒者やもっと需要層が限られたと思われる金価の比較、逆に、誰もが絶対必要なコメの値段に関する比較をしてみると次のようになります。

そこで、仮に、大卒者の比較を採用するとすると
当時の1圓=今の5000円です。
そうすると、このラジオの推定価格150ドルは、今の日本人感覚で言うと187万5000円になります。
結局、今の日本人の感覚で40万円の製品は、当時の大卒者の感覚では(当時の感覚を今の大卒者の感覚で言うと)187万円もするものだった といえそうです。
日本経済の価値は、日米間の相対的な比較という意味で、この100年で4、5倍も上昇したと言えるのだろうと思います。
当時の日本は、町村が非常に多く、中学への進学は4人に一人とか5人に一人とか言うような時代でしたから、

そのころに比べると、今は、裕福な人が占める割合が増えて国全体が大いに豊かになったということでしょう。
しかし、このラジオをもし日本で売ったならと考えると、この375圓=187万円の上にさらに輸入商社の利益と運賃・保険代などが載るわけです;大変なことです